YZWII,YDWII型外装式电动滚筒主要技术参数
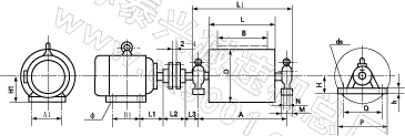
YZWII,YDWII型外装式电动滚筒外型尺寸表
YZWII,YDWII型外装式电动滚筒系列参数表